Product Catalogue

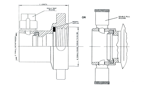
65mm Female Inst (BS336) Single Twist x 75mm Female Round Thread Fixed (BS336)

Product Enquiry

Generic selectors
Exact matches only
Search in title
Search in content
Post Type Selectors

Products

65mm Female Inst (BS336) Single Twist x 75mm Female Round Thread Fixed (BS336)

Adaptor

Products available in:-

LIGHT ALLOY – Natural Finish.

POLISHED and ANODIZED surface finishes are available for LIGHT ALLOY when specified.

Maximum Working Pressure 16 Bar.
Maximum Test Pressure 24 Bar.

Material Code Add to enquiry
Light Alloy FRA2742
Gunmetal FRA2742G
Contact