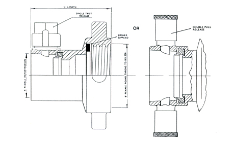
Adaptor.
Products available in:-
LIGHT ALLOY – Natural Finish.
POLISHED and ANODIZED surface finishes are available for LIGHT ALLOY when specified.
Maximum Working Pressure 16 Bar.
Maximum Test Pressure 24 Bar.

| Material | Code | Add to enquiry |
|---|---|---|
| Light Alloy | FRA2744 |
|
| Gunmetal | FRA2744G |
|